電源廠家分析:電源供電以及電機驅動原理
第一部分:供電電路原理
供電部分原理圖如圖1-1所示:

圖1-1
從圖1-1中可知道供電有+5V、+3.3V、+1.5V三種,其中每個電源均有0.1µF的旁路電容,將電源中的高頻串擾旁路到地,防止高頻信號通過電源串擾到其它模塊中。同時還能將電源本身的工頻干擾濾除。
值得注意的是:在布線的時候,經退藕電容退藕后的電源輸出點應該盡量緊靠芯片的電源引腳進行供電,過長的引線有可能重新變成干擾接收天線,導致退藕效果消失。如果無法讓每個退藕后的電源輸出點均緊靠芯片的電源引腳,那么可以采用分別退藕的方法,即分別盡量緊靠每個芯片的電源引腳點接入退藕電容進行退藕,這也解釋了為什么圖1-1的3.3V電源有兩個退藕輸出點。
第二部分:電機驅動電路原理
電機驅動電路原理如圖2-1所示:

圖2-1
圖2-1中Header 4X2為4排2列插針,FM0~3為FPGA芯片I/O輸出口,加入的插針給予一個可動的機制,在需要使用時才用跳線帽進行相連,提高I/O口的使用效率。
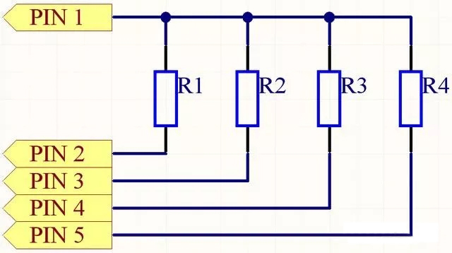
RES5是五端口排阻,內部集成了4個等阻值且一端公共連接的電阻,PIN 1是公共端,PIN2~5為排阻的輸出端,排阻原理圖如圖2-2所示:

圖2-2
該排阻公共端接電源,即上拉電阻形式,作用是增強FPGA芯片I/O口(以下簡稱I/O口)的驅動能力,實際上就是增加I/O輸出高電平時輸出電流的大小。當I/O輸出高電平時,+5V電源經排阻與IN1~4相連,相當于為I/O提供一個額外的電流輸出源,從而提高驅動能力。當I/O輸出低電平時,可將I/O近似看做接地,而IN1~4因與I/O由導線直接相連,因此直接接受了I/O的低電平輸出信號。此時,+5V電源經排阻R、I/O內部電路(電阻近似為零)后接地,因此該路的電流不能大于I/O的拉電流(Ii)最大值,有公式2-1:

由公式2-2可以得出排阻的取值范圍。
該上拉電阻除了提高驅動能力外,還有一個作用,就是進行電平轉換。經查,ULN2003的接口邏輯為:5V-TTL, 5V-CMOS邏輯。而在3.3V供電的情況下,I/O口可以提供3.3V-LVTTL,3.3V-LVCMOS,3.3V-PCI和SSTL-3接口邏輯電平。因此,需要外接5V的上拉電阻將I/O電平規格變成5V電平邏輯。
芯片ULN2003內部集成7組達林頓管,專門用于提高驅動電流,芯片引腳間邏輯如圖2-3所示:

圖2-3

圖2-4
由于I/O電流遠遠不足以驅動電機,因此需要外接該芯片驅動電機,ULN2003內部集成的達林頓管電路如圖2-4所示。達林頓管的形式具有將弱點信號轉化成強電信號的特點,I/O電平邏輯從PIN IN輸入,通過達林頓管控制PIN 9(COMMON)端輸入的強電信號按照I/O信號規律變化。值得注意的是:ULN2003輸出邏輯將與輸入邏輯相反,編程時應該注意該特點。
RES6是六端口排阻,內部集成了5個等阻值且一端公共連接的電阻,PIN 1是公共端,PIN2~6為排阻的輸出端,原理圖與接法說明可參考上述圖2-2,排阻取值范圍計算參見公式2-2,此處不再贅述。值得注意的是:RES6的PIN 1與PIN 2相連,是因為多出了一個不使用的電阻,為了避免PIN 2懸空,因此將PIN 2與PIN 1(公共端)相連,即PIN 2對應的電阻被短路,從而既避免的懸空的引腳,又能使該電阻失效。
第三部分:電機指示燈電路原理
電機指示燈電路如圖3-1所示:

圖3-1
電機部分指示燈用于指示各路信號的邏輯電平狀態,其中R106~109為限流電阻,防止發光二極管因電流過大燒毀。值得注意的是:該指示燈的發光二極管接成共陽極,由M0~3信號端口產生低電平點亮對應的二極管,而ULN2003的OUT與IN邏輯電平相反,因此對于I/O口FM0~3來說,輸出高電平就能點亮對應的發光二極管,例如:FM0輸出高電平,則對應LD17點亮,編程時應注意此電路將I/O實際邏輯反相了兩次,對應關系為I/O口輸出哪路高電平則對應點亮哪路指示燈。
第四部分:時鐘電路原理
時鐘電路如圖4-1所示:

圖4-1
采用50Mhz有源晶振產生時鐘信號,接法采用有源晶振的典型接法:PIN 1懸空,PIN 2接地,PIN 3輸出時鐘信號,PIN 4接電源。由于FPGA的I/O供電為3.3V,而時鐘電路產生的時鐘信號要由I/O口接收,因此時鐘信號最大值不能超過3.3V,故時鐘電路電源采用3.3V供電。
第五部分:FPGA部分電路原理
FPGA部分電路原理圖如圖5-1所示:

圖5-1
Header 18X2為18排2列排陣,兩組排陣分別與PIN口、3.3V電源、數字地相連,提供了可動的機制,使得PIN口可根據需要用排線與目標相連,打到信號傳輸的目的。而3.3V電源以及數字地針口則可以根據需要,用排線為目標提供邏輯高電平或邏輯低電平。
U21D為FPGA芯片的時鐘信號接收部分,通過網絡標號“CLK0~3”與對應的時鐘信號端口相連。
U21C為FPGA芯片的供電及接地部分,含有“GND”字樣的是“地”端口,與數字地相連,VCCIO1~4為I/O口供電端口,采用3.3V電源供電,通過網絡標號“+3.3V”與3.3V電源端口相連。VCCA_PLL1、VCCA_PLL2、VCCINT為內部運算器和輸入緩沖區的供電端口,采用1.5V電源供電,通過網絡標號“+1.5V”與1.5V電源端口相連。
U21B為JTAG與AS下載部分,TMS、TCK、TD1、TD0分別為JATAG下載方式的模式選擇端、時鐘信號端、數據輸入端、數據輸出端。DATA0為AS下載的數據端口,MSEL0、MSEL1、nCE、nCEO、CONF_ DONE、nCONFIG、nSTATUS端口按照典型接法相連。值得注意的是:無論AS還是JTAG都是通過JTAG標準通訊,AS下載一般是下載POF到PROM(flash)里,重新上電仍然可以加載,JTAG下載是通過JTAG口將sof文件直接下載到FPGA內,一般是臨時調試用的,掉電就丟失了。
U22是電可擦除ROM,用于存放AS下載后的數據,使得FPGA的程序段掉電也能得以保存,DATA端是數據讀取端,用于讀取ROM內數據。DCLK為時鐘端口,用于接收時鐘信號進行同步傳輸。nCS是片選端口,用于接收片選信號表示對該芯片進行通訊。ASDI為AS下載數據輸入端,用于接收AS下載數據。VCC與GND分別為電源端口與地端口,分別接3.3V與數字地。
同類文章排行
- 大神自己自制汽車應急啟動電源?還不如自己備一個
- 汽車啟動不了,導致汽車無法啟動的五大原因
- 汽車應急啟動電源使用方法及原理圖
- 2017排行前十的汽車應急啟動電源品牌
- 汽車應急啟動電源工作原理
- 汽車應急啟動電源使用排名評測
- 怎么選購汽車應急啟動電源?哪個牌子汽車應急啟動電源比較好?
- 汽車應急啟動電源充不了電怎么辦?昂佳科技教你解決方法
- 汽車應急啟動電源常見問題分析及解決方案
- 汽車應急啟動電源為什么用手機充電器充不了電?








